
電壓比較器(以下簡稱比較器)是一種常用的集成電路。它可用於(yu) 報警器電路、自動控製電路、測量技術,也可用於(yu) V/F變換電路、A/D變換電路、高速采樣電路、電源電壓監測電路、振蕩器及壓控振蕩器電路、過零檢測電路等。本文主要介紹其基本概念、工作原理及典型工作電路,並介紹一些常用的電壓比較器。
什麽(me) 是電壓比較器
簡單地說, 電壓比較器是對兩(liang) 個(ge) 模擬電壓比較其大小(也有兩(liang) 個(ge) 數字電壓比較的,這裏不介紹),並判斷出其中哪一個(ge) 電壓高,如圖1所示。圖1(a)是比較器,它有兩(liang) 個(ge) 輸入端:同相輸入端(“+” 端) 及反相輸入端(“-”端),有一個(ge) 輸出端Vout(輸出電平信號)。另外有電源V+及地(這是個(ge) 單電源比較器),同相端輸入電壓VA,反相端輸入VB。VA和VB的變化如圖1(b)所示。在時間0~t1時,VA》VB;在t1~t2時,VB》VA;在t2~t3時,VA》VB。在這種情況下,Vout的輸出如圖1(c)所示:VA》VB時,Vout輸出高電平(飽和輸出);VB》VA時,Vout輸出低電平。根據輸出電平的高低便可知道哪個(ge) 電壓大。

如果把VA輸入到反相端,VB輸入到同相端,VA及VB的電壓變化仍然如圖1(b)所示,則Vout輸出如圖1(d)所示。與(yu) 圖1(c)比較,其輸出電平倒了一下。輸出電平變化與(yu) VA、VB的輸入端有關(guan) 。
圖2(a)是雙電源(正負電源)供電的比較器。如果它的VA、VB輸入電壓如圖1(b)那樣,它的輸出特性如圖2(b)所示。VB》VA時,Vout輸出飽和負電壓。

如果輸入電壓VA與(yu) 某一個(ge) 固定不變的電壓VB相比較,如圖3(a)所示。此VB稱為(wei) 參考電壓、基準電壓或閾值電壓。如果這參考電壓是0V(地電平),如圖3(b)所示,它一般用作過零檢測。

比較器的工作原理
比較器是由運算放大器發展而來的,比較器電路可以看作是運算放大器的一種應用電路。由於(yu) 比較器電路應用較為(wei) 廣泛,所以開發出了專(zhuan) 門的比較器集成電路。
圖4(a)由運算放大器組成的差分放大器電路,輸入電壓VA經分壓器R2、R3分壓後接在同相端,VB通過輸入電阻R1接在反相端,RF為(wei) 反饋電阻,若不考慮輸入失調電壓,則其輸出電壓Vout與(yu) VA、VB及4個(ge) 電阻的關(guan) 係式為(wei) :Vout=(1+RF/R1)·R3/(R2+R3)VA-(RF/R1)VB。若R1=R2,R3=RF,則Vout=RF/R1(VA-VB),RF/R1為(wei) 放大器的增益。當R1=R2=0(相當於(yu) R1、R2短路),R3=RF=∞(相當於(yu) R3、RF開路)時,Vout=∞。增益成為(wei) 無窮大,其電路圖就形成圖4(b)的樣子,差分放大器處於(yu) 開環狀態,它就是比較器電路。實際上,運放處於(yu) 開環狀態時,其增益並非無窮大,而Vout輸出是飽和電壓,它小於(yu) 正負電源電壓,也不可能是無窮大。

從(cong) 圖4中可以看出,比較器電路就是一個(ge) 運算放大器電路處於(yu) 開環狀態的差分放大器電路。
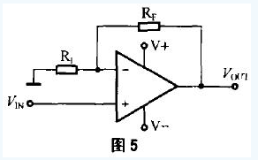
同相放大器電路如圖5所示。如果圖5中RF=∞,R1=0時,它就變成與(yu) 圖3(b)一樣的比較器電路了。圖5中的Vin相當於(yu) 圖3(b)中的VA。

比較器與(yu) 運放的差別
運放可以做比較器電路,但性能較好的比較器比通用運放的開環增益更高,輸入失調電壓更小,共模輸入電壓範圍更大,壓擺率較高(使比較器響應速度更快)。另外,比較器的輸出級常用集電極開路結構,如圖6所示,它外部需要接一個(ge) 上拉電阻或者直接驅動不同電源電壓的負載,應用上更加靈活。但也有一些比較器為(wei) 互補輸出,無需上拉電阻。

這裏順便要指出的是,比較器電路本身也有技術指標要求,如精度、響應速度、傳(chuan) 播延遲時間、靈敏度等,大部分參數與(yu) 運放的參數相同。在要求不高時可采用通用運放來作比較器電路。如在A/D變換器電路中要求采用精密比較器電路。
由於(yu) 比較器與(yu) 運放的內(nei) 部結構基本相同,其大部分參數(電特性參數)與(yu) 運放的參數項基本一樣(如輸入失調電壓、輸入失調電流、輸入偏置電流等)。
比較器典型應用電路
這裏舉(ju) 兩(liang) 個(ge) 簡單的比較器電路為(wei) 例來說明其應用。
1.散熱風扇自動控製電路
一些大功率器件或模塊在工作時會(hui) 產(chan) 生較多熱量使溫度升高,一般采用散熱片並用風扇來冷卻以保證正常工作。這裏介紹一種極簡單的溫度控製電路,如圖7所示。負溫度係數(NTC)熱敏電阻RT粘貼在散熱片上檢測功率器件的溫度(散熱片上的溫度要比器件的溫度略低一些),當5V電壓加在RT及R1電阻上時,在A點有一個(ge) 電壓VA。當散熱片上的溫度上升時,則熱敏電阻RT的阻值下降,使VA上升。RT的溫度特性如圖8所示。它的電阻與(yu) 溫度變化曲線雖然線性度並不好,但是它是單值函數(即溫度一定時,其阻值也是一定的單值)。如果我們(men) 設定在80℃時應接通散熱風扇,這80℃即設定的閾值溫度TTH,在特性曲線上可找到在80℃時對應的RT的阻值。R1的阻值是不變的(它安裝在電路板上,在環境溫度變化不大時可認為(wei) R1值不變),則可以計算出在80℃時的VA值。

R2與(yu) RP組成分壓器,當5V電源電壓是穩定電壓時(電壓穩定性較好),調節RP可以改變VB的電壓(電位器中心頭的電壓值)。VB值為(wei) 比較器設定的閾值電壓,稱為(wei) VTH。
設計時希望散熱片上的溫度一旦超過80℃時接通散熱風扇實現散熱,則VTH的值應等於(yu) 80℃時的K值。一旦VA》VTH,則比較器輸出低電平,繼電器K吸合,散熱風扇(直流電機)得電工作,使大功率器件降溫。VA、VTH電壓變化及比較器輸出電壓Vout的特性如圖9所示。這裏要說清楚的是在VA開始大於(yu) VTH時,風扇工作,但散熱體(ti) 有較大的熱量,要經過一定時問才能把溫度降到80℃以下。

從(cong) 圖7可看出,要改變閾值溫度TTH十分方便,隻要相應地改變VTH值即可。VTH值增大,TTH增大;反之亦然,調整十分方便。隻要RT確定,RT的溫度特性確定,則R1、R2、RP可方便求出(設流過RT、R1及R2、RP的電流各為(wei) 0.1~0.5mA)。
2.窗口比較器
窗口比較器常用兩(liang) 個(ge) 比較器組成(雙比較器),它有兩(liang) 個(ge) 閾值電壓VTHH(高閾值電壓)及VTHL(低閾值電壓),與(yu) VTHH及VTHL比較的電壓VA輸入兩(liang) 個(ge) 比較器。若VTHL≤VA≤VTHH,Vout輸出高電平;若VA《VTHL,VA》VTHH,則Vout輸出低電平,如圖10所示。圖10是一個(ge) 冰箱報警器電路。冰箱正常工作溫度設為(wei) 0~5℃,(0℃到5℃是一個(ge) “窗口”),在此溫度範圍時比較器輸出高電平(表示溫度正常);若冰箱溫度低於(yu) 0V或高於(yu) 5℃,則比較器輸出低電平,此低電平信號電壓輸入微控製器(μC)作報警信號。

溫度傳(chuan) 感器采用NTC熱敏電阻RT,已知RT在0℃時阻值為(wei) 333.1kΩ;5℃時阻值為(wei) 258.3kΩ,則按1.5V工作電壓及流過R1、RT的電流約1.5 uA,可求出R1的值。R1的值確定後,可計算出0℃時的VA值為(wei) 0.5V(按圖10中R1=665kΩ時),5℃時的VA值為(wei) 0.42V,則VTHL=0.42V,VTHH=0.5V。若設R2=665kΩ,則按圖11,可求出流過R2、R3、R4電阻的電流I=(1.5V-0.5V)/665kΩ=0.0015mA,按R4×I/=0.42V,可求出R4=280kΩ再按0.5V=(R3+R4)0.0015mA, 則可求出R3=53.3kΩ。


2022-05-18


