
運算放大器是一種可以進行數學運算的放大電路。運算放大器不僅(jin) 可以通過增大或減小模擬輸入信號來實 現放大,還可以進行加減法以及微積分等運算。所以,運算放大器是一種用途廣泛,又便於(yu) 使用的集成電路。
圖1:運算放大器的電路符號
如圖1所示,運算放大器的電路符號同相輸入端Vin(+)和反相輸入端Vin(-)兩(liang) 個(ge) 輸入引腳,以及一個(ge) 輸出引腳Vout。實際上運算放大器還有電源引腳(+電源、-電源)和偏移輸入引腳等在電路符號上沒有表示出來。
運算放大器的主要功能是放大兩(liang) 輸入端之間的差模信號,抑製共模信號。當信號從(cong) Vin(+)輸入,且負反饋接至Vin(-),輸出得到同相放大的結果 。當信號從(cong) Vin(-)輸入,且負反饋任接在Vin(-)時,輸出得到反相放大的結果。此外,運算放大器還具有輸入阻抗極大和輸出阻抗極小的特征。
下麵讓我們(men) 來看下使用了上述負反饋的放大器電路
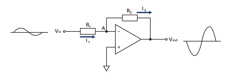
運算放大器的基本電路 — 反相放大器電路
如圖2所示,反相放大器電路具有放大輸入信號並反相輸出的功能。“反相”的意思是正、符號顛倒。這個(ge) 放大器應用了負反饋技術。所謂負反饋,即將輸出信號的一部分返回到輸入,在圖2所示電路中,象把輸出Vout經由R2連接(返回)到反相輸入端(-)的連接方法就是負反饋。
我們(men) 來看一下這個(ge) 反相放大器電路的工作過程。運算放大器具有以下特點,當輸出端不加電源電壓時,同相輸入端(+)和反相輸入端(-)被認為(wei) 施加了相同的電壓,也就是說可以認為(wei) 是虛短路。所以,當同相輸入端(+)為(wei) 0V時,A點的電壓也為(wei) 0V。根據歐姆定律,可以得出經過R1的I1=Vin/R1。

圖2:反相放大器電路
另外,運算放大器的輸入阻抗極高,反相輸入端(-)中基本上沒有電流。因此,當I1經由A點流向R2時,I1和I2電流基本相等。由以上條件,對 R2使用歐姆定律,則得出Vout=-I1×R2。I1為(wei) 負是因為(wei) I2從(cong) 電壓為(wei) 0V的點A流出。換一個(ge) 角度來 看,當反相輸入端(-)的輸入電壓上升時,輸出會(hui) 被反相,向負方向大幅度放大。由於(yu) 這個(ge) 負方向的輸出電壓經由R2與(yu) 反相輸入端相連,因此,會(hui) 使反相輸入端(-)的電壓上升受阻。反相輸入端和同相輸入端電壓都變為(wei) 0V,輸出電壓穩定。
那麽(me) 我們(men) 通過這個(ge) 放大器電路中輸入與(yu) 輸出的關(guan) 係來計算一下增益。增益是Vout和Vin的比,即Vout/Vin=(-I1×R2)/(I1×R1)=-R2/R1。所得增益為(wei) -表示波形反向。
在這個(ge) 算公式中需要特別注意的地方是,增益僅(jin) 由R1和R2電阻比決(jue) 定。也就是說。我們(men) 可以通過改變電阻容易地改變增益。在具有高增益的運算放大器上應用負反饋,通過調整電阻值,就可以得到期望的增益電路。
運算放大器的基本電路 — 同相放大器電路
與(yu) 反相放大器電路相對, 圖3所示電路叫做同相放大器電路。與(yu) 反相放大器電路最大的不同是,在同相放大器電路中,輸入波形和輸出波形的相位是相同的,以及輸入信號是加在同相輸入端(+)。與(yu) 反相放大器電路相同的是,兩(liang) 個(ge) 電路都利用了負反饋。
我們(men) 來看一下這個(ge) 電路的工作過程。首先,通過虛短路,同相輸入端(+)和反相輸入端 (-)的電壓都是Vin,即點A電壓為(wei) Vin。根據歐姆定律,Vin=R1×I1。另外,運算放大器的兩(liang) 個(ge) 輸入端上基本沒有電流,所以 I1=I2。而Vout為(wei) R1與(yu) R2電壓的和,即Vout=R2×I2+R1×I1。 整理以上公式可得到增益G,即G=Vout/Vin=(1+R2/R1)。
圖3:同相放大器電路
如果去掉這個(ge) 電路中的R1,將R2電阻變為(wei) 0Ω 或者短路,則電路變為(wei) 增益為(wei) 1的電壓跟隨器。這種電路常用於(yu) 阻抗變換和緩衝(chong) 器中。
輸入值的判定 — 比較器
Comparator,中文翻譯為(wei) 比較器,比較兩(liang) 個(ge) 電壓的大小,然後輸出邏輯高或邏輯低。比較器常常用於(yu) 檢測輸入是否達到規定值。也可以用運算放大器來代替比較器,但一般情況下建議使用專(zhuan) 用的比較器IC(關(guan) 於(yu) 運算放大器用作比較器的應用差異參考以往專(zhuan) 刊介紹)。比較器和運算放大器使用相同電路符號。
比較器電路如圖4所示。我們(men) 來看一下這個(ge) 電路的工作過程。首先應該注意,這個(ge) 電路中沒有正反饋也沒有負反饋。放大Vin和VREF的差值,從(cong) Vout輸出。例如,Vin大於(yu) VREF時,放大輸出的Vout上升至+側(ce) 的電源電壓,達到飽和。Vin小於(yu) VREF時,輸出Vout下降至-側(ce) 電源電壓達到飽和。
通過這個(ge) 動作,Vin和VREF的比較結果在Vout上輸出。
實際應用中,一般是圖4電路上產(chan) 生滯後(用於(yu) 防止錯誤動作的電壓領域),如圖5,Vin會(hui) 產(chan) 生一些噪波,但仍可穩定動作。
圖4:比較器電路
圖5:有滯回效應的比較器電路
利用正反饋的諧振電路
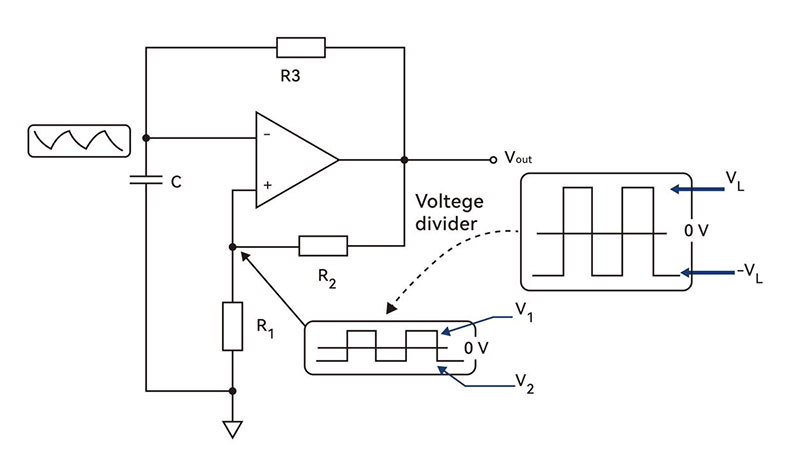
負反饋係統中,從(cong) 輸出返到輸入的信號越大,則輸出越小。於(yu) 此相反,正反饋中,從(cong) 輸出返到輸入的 信號越大,則輸入越大。當正反饋係統中增益大於(yu) 1時,電路會(hui) 振蕩。將這種振蕩合理利用到電路中,就形成了振蕩電路。圖6的不穩定多諧振蕩器就是一個(ge) 振蕩電路。
圖6:不穩定多諧振蕩器電路
+側(ce) 最大值VL和-側(ce) 最大值 VL都是不穩定的,兩(liang) 個(ge) 數值不斷變化,因此稱之為(wei) 不穩定。我們(men) 來看看這個(ge) 電路中的動作。首先,輸出Vout經由R2反饋至同相輸入端( +),這是一個(ge) 正反饋電路。然後在輸入Vout上應用R3和C,這是一個(ge) 積分電路。大家可能會(hui) 覺得積分電路很難,實際上,我們(men) 可以將它簡單理解為(wei) , 輸出在Vout上的電壓的一部分,緩緩儲(chu) 存到電容器的一個(ge) 過程電路。在初始狀態中,通過正反饋電路Vout迅速增大並達到最大值(VL)。
然後, 通過R3和C構成的積分電路,緩緩增加反相輸入端(-)。經過一定時間,同相輸入端(+)的電壓超過反相輸入端(-)電壓,相當於(yu) 在差動輸入上輸 入負電壓,則Vout在負側(ce) 上迅速增大達到-VL。Vout變為(wei) 負,通過R3和C構成的積分電路,反相輸入端(-)電壓緩緩增大。經過一定 時間後,反相輸入端電壓超過同相輸入端(+)的電壓,相當於(yu) 在差動輸入上輸入了正電壓,則Vout向正方向迅速變化。這個(ge) 過程不斷重複,在Vout交替出現 VL和-VL,從(cong) 而實現振蕩電路動作。


2022-03-10


