
昨晚,蘋果發布了首款頭戴式耳機 AirPods Max。
蘋果形容它:唱作俱佳,既帶來高保真音質的拿手好戲,又繼承 AirPods 的種種精妙。
主打功能包括:
● 高保真音質
● 主動降噪,搭配通透模式
● 空間音頻,劇場般的環繞音效
● 亮眼設計,佩戴服服帖帖
據介紹此款AirPods Max 集高保真音質和先進的主動降噪於(yu) 一身,帶來非同凡響的聆聽體(ti) 驗。特製驅動單元的各個(ge) 組件互相配合,能使聲音在整個(ge) 可聽範圍內(nei) 都實現超低的失真度。同時為(wei) 了抵消多餘(yu) 的外部聲波,AirPods Max 總共六個(ge) 外向式麥克風檢測環境噪聲,用兩(liang) 個(ge) 內(nei) 向式麥克風感知你聆聽的內(nei) 容。另外,在打電話時,波束成形麥克風還有助於(yu) 將語音從(cong) 背景噪音中分離出來,這樣即使在大風天聲音也能一清二楚。
而且Apple設計的動圈式驅動單元可實現寬廣的頻率範圍,音色、質感和精準度讓你大飽耳福。而借鑒高端落地式揚聲器的設計,耳機驅動單元采用雙環形釹磁體(ti) 電機,在整個(ge) 可聽範圍內(nei) 都能實現極低的總諧波失真。由此帶來的好處是,即使音量全開,音質也始終清澈。
果粉眾(zhong) 多,從(cong) 昨晚發布刷屏了一整天,大家都在談論在主動降噪的功能實現。目前還沒有看到相關(guan) 的拆解報告,根據網絡上的介紹資料看,支持主動降噪功能,耳機內(nei) 部配置了光學傳(chuan) 感器、佩戴位置感應器、耳機套感應器、加速感應器和陀螺儀(yi) (左側(ce) 耳罩)等多種傳(chuan) 感器。雖然AirPods Max 開啟主動降噪單次續航長達20小時,但實際使用上總有馬大哈會(hui) 忘記及時充電,在係統無電下耳機仍能正常使用,就能成為(wei) 一個(ge) 特色賣點。潤石RS550耗盡型模擬開關(guan) 即是為(wei) 實現此功能而設計的。
RS550,內(nei) 部是四路單刀單擲開關(guan) ,由於(yu) 采用了耗盡型的MOS工藝,其與(yu) 正常的模擬開關(guan) 邏輯相反,表現為(wei) 存在VCC電源電壓時,開關(guan) 內(nei) 部斷開以隔離兩(liang) 端信號,而沒有VCC電源電壓時,開關(guan) 內(nei) 部閉合。RS550的導通電阻是0.5Ω,導通電阻的平坦度為(wei) 0.01Ω,可以有效的降低驅動耳機喇叭這種低阻抗器件時產(chan) 生的音頻失真。 RS550最大的應用場合是在降噪耳機中,Line in 輸入信號與(yu) 降噪芯片自身輸出信號的切換或者隔離。RS550的音頻交流參數見 Figure 1。
Figure 1 RS550音頻交流參數
RS550的失真度與(yu) 輸入電平,失真度與(yu) 頻率的曲線見 Figure 2、Figure 3,隔離度曲線見 Figure 4。
測試條件:32Ω負載,信號源為(wei) 音頻分析儀(yi) AP525。
Figure 2 RS550 THD+N與(yu) 輸入電平的關(guan) 係曲線

Figure 3 RS550 THD+N與(yu) 頻率的關(guan) 係曲線
Figure 4 RS550通道的隔離度曲線
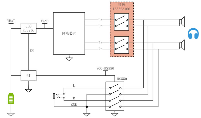
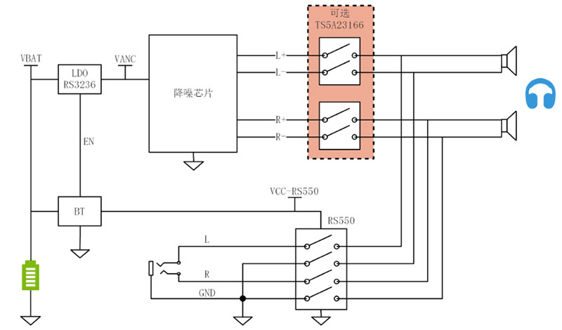
RS550最典型的應用框圖如Figure 5所示,與(yu) 降噪芯片的差分輸出屬於(yu) 並聯關(guan) 係,Line in 輸入信號一般是單端的,而降噪芯片輸出一般是差分的,所以連接方式需要 RS550 隔離開。
Figure 5 RS550典型應用框圖
RS550提供WLCSP12和QFN3x3兩(liang) 種封裝,既能滿足耳機係統小型化的麵積要求和兼容性要求,也特別為(wei) 研發調試和生產(chan) 加工的便利性和良率考慮,提供QFN3x3封裝。
Figure 6 RS550 WLCSP封裝和QFN封裝


2020-06-10


