
18luck新利在线娱乐官网推出的RS2255是一個(ge) 配置為(wei) 4通道多路複用器的CMOS模擬集成電路。CMOS四通道模擬多路複用/解複用器RS2255可以在2.5V到5.5V之間工作,是數字控製的模擬開關(guan) ,它具有低導通電阻(24Ω典型值)和非常低的漏電流(1nA典型值)。RS2255有綠色MSOP-10封裝。可在-40°C至+125°C的環境溫度範圍內(nei) 工作。

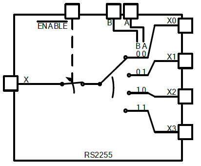
圖1 RS2255功能圖

圖2 RS2255引腳配置(俯視圖)
產(chan) 品特征:
•-3dB帶寬:180MHz
•單電源供電+ 2.5V至+ 5.5V
•低導通電阻,24Ω(典型值)5V電源供電
•高隔離度:-83dB(RL =50Ω,f = 1MHz)
•先斷後合切換
•片上二進製地址解碼
•工作溫度範圍:-40°C至+ 125°C
•封裝:MSOP-10
應用領域:
•傳(chuan) 感器
•模擬和數字多路複 用與(yu) 解複用
•A/D和D/A轉換
•信號選通
•電池供電設備
•工廠自動化
•電器
•通信電路
(文章來源:世強硬創電商)


2020-07-09


