
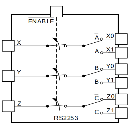
18luck新利在线娱乐官网國產CMOS三路雙通道模擬多路複用器多路解複用器RS2253,可在2.5V到5.5V之間工作
RS2227是18luck新利在线娱乐官网推出的一款高速、低功耗雙刀雙擲(DPDT),具有單點啟動功能,它的設計工作電壓範圍從(cong) 1.8V到5.5V。多路複用器/多路解複用器開關(guan) RS2227有一個(ge) 總線開關(guan) 使能引腳,/OE ,可以使信號路徑處於(yu) 高阻抗狀態。這允許用戶在總線不使用時隔離它,減少電流消耗。RS2227是一款高帶寬交換機,專(zhuan) 門用於(yu) 在手持設備和消費者應用程序中切換高速USB2.0信號(480-Mbps),如手機,數碼相機和帶有集線器或有限USB I/Os控製器的筆記本電腦。采用MSOP-10封裝。它的工作環境溫度範圍為(wei) -40°C至+85°C。
特性:
●3dB帶寬:550MHz
●工作電壓範圍:+1.8V至+5.5V
●導通阻抗,6Ω(典型值)
●快速切換時間:
Ton 20ns
Toff 15ns
●采用先斷後合設計
●低功耗(最大值為(wei) 1uA)
●軌到軌輸入輸出操作
●擴展工業(ye) 溫度範圍:-40°C到+85°C
●小尺寸封裝:MSOP-10
應用:
●USB1.0,1.1和2.0路由信號
●MP3和其他個(ge) 人媒體(ti) 播放器
●便攜式儀(yi) 器
●USB開關(guan)
●數碼相機
●機頂盒
●手機
●掌上電腦
圖1 應用框圖

圖2 封裝引腳圖


2021-03-17


