
R0104/RS0108開發板,R0104YQ/RS0108YQ邏輯電平轉換4\8路公用一個(ge) 板子,相互獨立。
電平轉換(Level Shift)與(yu) 電源係統中的電壓轉換是兩(liang) 種不同功能的芯片,電平轉換是針對信號線電平的,比如MCU 的GPIO口為(wei) 3.3V的工作電壓,DSP的GPIO是1.8V,它們(men) 之間的通信就不能直接相連,需要做電平適配上的處理才能通信。再比如STM32是3.3V的,STC8是5V的,不能直接通訊需要電平轉換。
歸結一下電平轉換的方案:
1.阻抗變換(簡單)
通過電阻降壓
優(you) 點:結構簡單
缺點:電阻值難以把握,可能會(hui) 對器件造成損害,速速低,
2.NPN三極管
通過NPN三極管
優(you) 點:低成本
缺點:速速低,電路複雜
3.通過電平轉接芯片實現:
RS0104電平轉換芯片提供四路數據線,主要用於(yu) UART、I2C、SMBus、GPIO等通信接口,自動識別方向,兼容推挽輸出架構和開漏輸出架構,其主要特點如下:
● 無需數據方向控製;
●推挽架構(Push-Pull)支持24Mbps數據速率,開漏架構(Open-Drain)支持2Mbps數據速率;
●A側(ce) 支持1.65V~5.5V,B側(ce) 支持2.3V~5.5V;
● A、B側(ce) 電源互相隔離;
● 無上電時序要求;
● 支持-40°C~+85°C。
需要注意VCCA的供電電壓不能大於(yu) VCCB,即A側(ce) 接到低電壓係統,B側(ce) 接到高電壓係統。
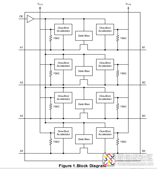
芯片內(nei) 部Functional Block Diagram

PIN DESCRIPTION

測試,STM32和5V單片機STC8,進行全雙通串口通訊,最高波特率921600下通信正常。
簡單介紹一下芯片廠家:
18luck客户端是一家專(zhuan) 注於(yu) 高性能、高品質模擬/混合信號集成電路研發和銷售的高科技半導體(ti) 企業(ye) 。
主要產(chan) 品包括精密運算放大器、高速運算放大器、通用運算放大器、低噪聲運算放大器、微功耗運算放大器、微功耗比較器、模擬開關(guan) 、電源管理、數據轉換器、電平轉換、電壓基準源等,廣泛用於(yu) 工業(ye) 控製、醫療設備、安防監控設備、儀(yi) 器儀(yi) 表、汽車電子、智能家居以及消費類電子等領域。
公司總部位於(yu) 江蘇省無錫市,紮根本土,服務全球。公司依托無錫市良好的集成電路產(chan) 業(ye) 環境,整合上下遊優(you) 勢資源,致力於(yu) 物聯傳(chuan) 感、醫療電子、工業(ye) 電子和消費類電子等的產(chan) 品研發設計,目前已完成多個(ge) 門類的芯片設計和開發。
公司在深圳設立銷售和技術服務中心,在北京、上海、天津、廣州、鄭州、杭州、台北等地均有駐地人員就近提供全方位的服務。通過幾年的耕耘,逐漸形成了較為(wei) 成熟的國內(nei) 外市場銷售體(ti) 係和健全完善的售前、售中、售後技術服務體(ti) 係,擁有多家國內(nei) 外行業(ye) 標杆企業(ye) 客戶。同時也建立了快速的反應機製,及時了解客戶需求、市場前景和行業(ye) 趨勢。
18luck新利在线娱乐官网始終堅持“自主創新,品質至上,團結協作,成就客戶”為(wei) 公司的核心價(jia) 值,不斷地推出具備更強競爭(zheng) 力和良好市場前景的模擬/混合信號芯片產(chan) 品,攜手客戶共同發展,共創輝煌,讓潤石芯跳動在電子產(chan) 品世界的每個(ge) 角落,矢誌成為(wei) 全球一流的模擬芯片公司!
作者:abner_ma
來源:麵包版社區


2021-04-07


