
18luck新利在线娱乐官网推出的CMOSRS8561、RS8562、RS8564、RS8563(帶關(guan) 閉功能的雙通道)係列使用自動歸零技術,以同時提供極低的失調電壓(最大值為(wei) 20μV),並且幾乎不隨時間和溫度變化。該係列放大器具有超低的噪聲,失調和功率。
這種微型高精度運算放大器可抵消高輸入阻抗以及軌至軌輸入和軌至軌輸出擺幅。具有11MHz的高增益帶寬積和8.5V /μs的壓擺率,可以使用低至+ 2.9V(±1.45V)至最高+ 5.5V(±2.75V)的單電源或雙電源供電。
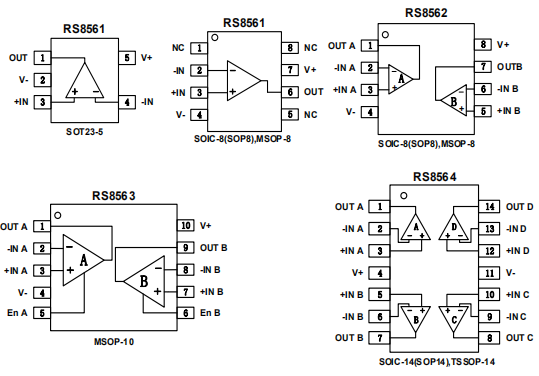
精密運算放大器RS8561 / RS8562 / RS8564 / RS8563(帶關(guan) 閉功能的雙通道)可用於(yu) 擴展的工業(ye) 和汽車溫度範圍(-40°C至125°C)。 RS8561單通道放大器提供5引腳SOT23、8引腳MSOP8和8引腳SOIC封裝; RS8562雙通道放大器具有8引腳SOIC和8引腳MSOP窄表麵貼裝封裝; RS8563(帶關(guan) 閉功能的雙通道 )使用Micro-SIZE MSOP-10封裝。 RS8564 Quad提供14引腳SOIC和14引腳窄型TSSOP封裝。
特性:
•低失調電壓:20uV(MAX)
•輸入失調漂移:0.1μV/°C(TYP)
•高增益帶寬積:11MHz
•軌到軌輸入和輸出
•高增益,CMRR,PSRR:120dB(TYP)
•高壓擺率:8.5V /μs
•低噪聲:0.48uVp-p(0.01〜10Hz)
•低功耗:1.3mA /op amp
•過載恢複時間:0.4us
•低電源電壓:+2.9 V至+5.5 V
•無需外部電容器
•擴展溫度:-40°C至+ 125°C
應用:
•溫度傳(chuan) 感器
•醫療/工業(ye) 儀(yi) 器
•壓力傳(chuan) 感器
•電池供電的儀(yi) 器
•主動過濾
•體(ti) 重秤傳(chuan) 感器
•應變計放大器
•電源轉換器/逆變器
引腳配置:


2021-05-31


