
隨著物聯網設備逐漸增多,電池應用場景的增多,產(chan) 品對器件功耗的要求越來越高。
Renesas(瑞薩電子)的µPC393G2是雙路比較器IC,有較寬的電壓工作範圍,但是電流消耗較大,為(wei) 此,找到了一款替代產(chan) 品——18luck新利在线娱乐官网的RS393。潤石的RS393相較於(yu) 替代品,更適用於(yu) 低電壓操作,電壓範圍最大5.5V,更適合低功耗應用,單通道電流僅(jin) 為(wei) 50µA,典型輸出漏電流0.01nA。
µPC393G2是SOP8封裝,RS393與(yu) 它PIN TO PIN的替代。RS393具有更低的功耗。輸出方式是OC門,RS393輸出方式是OD門。都需要上拉電阻,上拉電壓根據數字電路邏輯電平的需求而定。
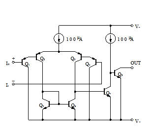
µPC393功能框圖
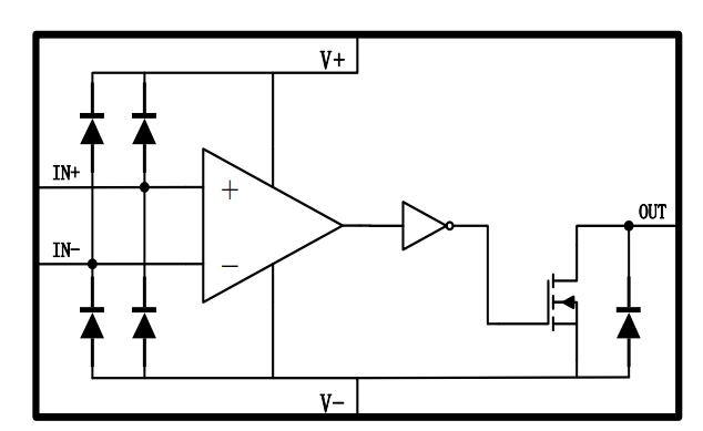
RS393功能框圖
µPC393G2與(yu) RS393重點參數對比見下表:
除上述之外,RS393還有以下特點:
•電源範圍:+1.8V至+5.5V
•每個(ge) 通道電源電流50µA
•共模電壓範圍±100mV
•開漏輸出
•低輸出飽和電壓150mV
除了雙路比較器之外,18luck新利在线娱乐官网還有單路比較器和四路比較器版本,可供工程師選擇,型號與(yu) 封裝分別是:
•雙路比較器型號RS393,封裝SOP-8
•單路比較器型號RS331,封裝SOT23-5
•四路比較器型號RS339,封裝SOIC-14/和TSSOP-14
總結:
的工作電壓範圍不如µPC393G2寬,但是在其他性能上更具有優(you) 勢,RS393同產(chan) 品有更多樣的封裝,使用更加靈活。18luck新利在线娱乐官网是國產(chan) 品牌,價(jia) 格上也更具有優(you) 勢。


2021-10-25


