
電平轉換在電路設計中非常常見,電平轉換(Level Shift)與(yu) 電源係統中的電壓轉換是兩(liang) 種不同功能的芯片,電平轉換是針對信號線電平的,比如MCU的GPIO口為(wei) 3.3V的工作電壓,DSP的GPIO是1.8V,它們(men) 之間的通信就不能直接相連,需要做電平適配上的處理才能通信。
帶數據方向控製的電平轉換芯片
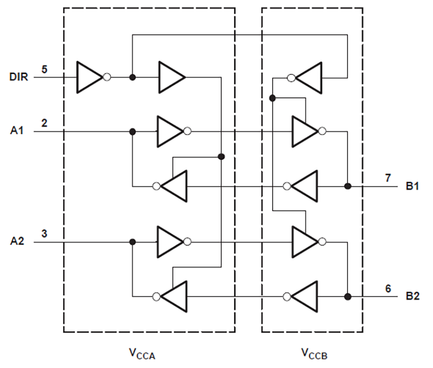
RS2T45係統架構示意圖
RS1T45/2T45是帶數據方向控製的單通道\雙通道電平轉換芯片,驅動能力強,通訊速率高,適合用於(yu) 長走線、通訊速度比較高的通訊接口的電壓轉換。
RS1T45/2T45的DIR方向控製腳輸入門限閾值跟隨 VCCA電壓。該器件的Ioff(關(guan) 斷漏電流)很小,單位是uA級別,非常適合使用在要求超低功耗的場景。使能控製功能也可以防止斷電時的電流回流。
VCCx 隔離功能的設計使得如果任何一個(ge) VCCx 輸入為(wei) GND,則兩(liang) 個(ge) 端口都處於(yu) 高阻抗狀態。
RS2T45典型應用電路示意圖
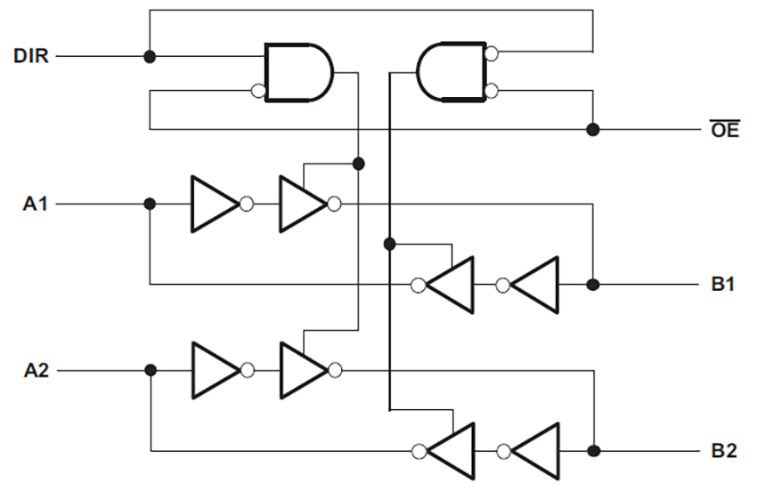
DIR置高,數據從(cong) A端口往B端口傳(chuan) 輸。DIR置低,輸出從(cong) B端口往A端口傳(chuan) 輸。
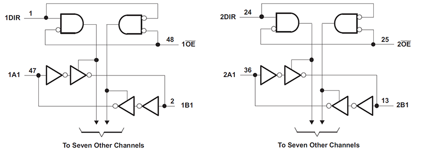
1/2 RS4T245係統架構示意圖
RS4T245是帶數據方向控製的四通道電平轉換芯片,具備兩(liang) 組使能控製腳和兩(liang) 組方向控製腳,每一個(ge) 使能腳和控製腳可負責控製兩(liang) 個(ge) 通道的數據通訊,驅動能力強,通訊速率高。
典型應用電路示意圖
使用帶方向控製的電平轉換芯片設計選型時,需要注意:
1、供電電壓範圍
根據信號的電平和芯片的VIH閾值門限來確定芯片的供電電壓。輸入信號的高電平必須超過輸入端口的 VIH閾值。輸入信號的低電平必須小於(yu) 輸入端口的 VIL閾值。
2、輸出電壓範圍
芯片的輸出電壓即是對應的供電電壓,要確保該輸出電壓高電平能被主控端識別到,即要滿足主控端輸入端口的VIH閾值。
RS8T245/16T245是帶方向控製的八通道/十六通道電平轉換芯片,同樣具備驅動能力強,通訊速率高的特性。
RS16T245
8通道,16通道芯片的工作原理與(yu) 上述1,2,4通道類似,以滿足不同應用的通道需求。


2021-12-22


