
隨著人們(men) 對降低功耗需求的不斷增加,現如今許多係統級設計朝著電源電壓不斷降低的趨勢發展。隨著處理器電壓電平的降低,外設仍然保持較高的電壓電平,因此會(hui) 在係統中產(chan) 生不連續的電壓電平。一種解決(jue) 該問題的方案是使用電壓轉換器,將信號電壓電平升壓或降壓至另一個(ge) 電平。它們(men) 非常適合用於(yu) 簡單的 GPIO 應用以及常見的推挽接口,如 SPI、UART、JTA。本文將討論業(ye) 界通用接口以及常見的終端設備應用,重點介紹江蘇潤石現有RS020x和RSxTx45係列產(chan) 品在這些接口上的應用。
一、RS020x係列產(chan) 品介紹
RS020x係列器件屬於(yu) 江蘇潤石的自動雙向電平轉換器係列。這一係列電壓轉換器提供1、2、4、8這四種通道數和兩(liang) 個(ge) 獨立的可配置電源軌,對輸入信號進行升壓或降壓轉換。根據設計,RS020x轉換器適用於(yu) A端1.2-3.6V向B端1.65-5.5V轉換,或者將B端電壓往A端電壓進行降壓轉換。這些器件最高支持100Mbps的傳(chuan) 輸數據速率(詳情請參考官網規格書(shu) )。VCC 隔離、IOFF 功能以及具有 5kV HBM(人體(ti) 放電模型)的內(nei) 置 ESD(靜電放電)保護功能。請查看表1,了解RS020x係列指標。

二、RSxTx45係列產(chan) 品介紹
RSxTx45係列器件屬於(yu) 江蘇潤石的方向控製型電平轉換器係列。這些電壓轉換器使用兩(liang) 個(ge) 獨立的可配置電源軌,對輸入信號進行升壓或降壓轉換。根據設計,RSxTx45係列轉換器適用於(yu) 1.65V至5.5V的VCC 範圍。該係列同樣給使用者提供1、2、4、8四種不同通道數。這些器件支持高達200Mbps 的數據速率,同時提供 32mA 的驅動強度。VCC 隔離、IOFF 功能以及具有 3kV HBM(人體(ti) 放電模型)內(nei) 置 ESD(靜電放電)保護功能。

三、常見接口和使用RS020x/RSxTx45係列實現
1、通用輸入輸出口(GPIO)
所有微處理器都具有用於(yu) 與(yu) 外設進行通信的通用輸入輸出 (GPIO) 端口。然而,內(nei) 核和外設芯片可能在不同的電壓電平下工作,這就是係統需要電平轉換器的原因。如果所需的信號沒有轉入微處理器的工作電壓,就會(hui) 影響通信的可靠性。RS1T45可作為(wei) I/O電路的一部分來實現,尤其是在單通道信號(例如控製輸入)中。RS1T45為(wei) 電壓轉換 I/O 引腳提供了解決(jue) 方案,例如以下引腳:
1)使能 2)重啟 3)時鍾緩衝(chong) 4)電源正常狀態
5)錯誤標誌 6)複位 7)存儲(chu) 器錯誤 8)處理器過熱
例如圖1所示LED驅動

圖1 使用RS1T45進行GPIO轉換實現LED驅動
2、串行外設接口 (SPI)
串行外設接口 (SPI) 可提供處理器與(yu) 外設之間的同步通信。SPI 是一種“控製器-外設”架構的四線製通信接口, 其中三條線路由控製器(通常是處理器)驅動,一條線路由外設(通常是外設)驅動。表 3 介紹了 SPI 信號接口。

控製器驅動的第一條信號線路是CLK,這是時鍾信號。對於(yu) 每個(ge) 時鍾脈衝(chong) ,控製器可向外設發送或從(cong) 外設接收一個(ge) 位。數據速率通常為(wei) 10Mbps,但可根據需要在係統中進行擴展。SPI是全雙工協議,因此需要兩(liang) 條數據線路:COPI和CIPO。COPI代表控製器輸出外設輸入,由控製器驅動向外設發送數據。CIPO 代表控製器輸入外設輸出,由外設驅動向控製器發送數據。最後一條線路是 CS,這是外設選擇信號。CS 線路由控製器驅動為(wei) 低電平以選擇外設進行通信。一個(ge) 係統中可能存在多個(ge) 外設,這可確保與(yu) 所需的外設進行通信,防止可能出現的係統級總線爭(zheng) 用。SPI 常用於(yu) :
1)控製信號 2)傳(chuan) 感器 3)存儲(chu) 器 4)LCD 顯示屏 5)SD 卡
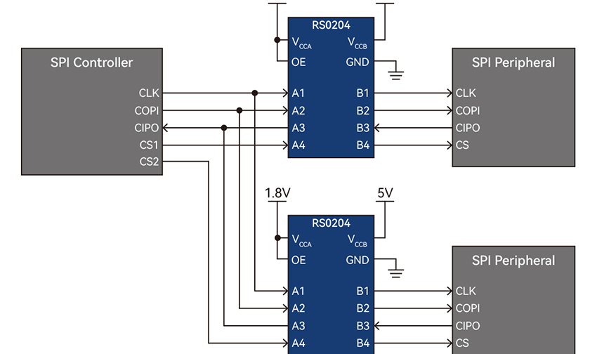
當信號電平相同時,可使用SPI協議進行器件之間的連接。在電壓不匹配的情況下,建議使用電平轉換器。RS020x係列是轉換SPI中使用的所有四條線路的理想解決(jue) 方案。RS0204的優(you) 點是可自動識別每個(ge) 通道信號傳(chuan) 輸的個(ge) 方向。因此該器件在SPI中非常有用,因為(wei) SPI 中的一條線路與(yu) 其他三條線路以相反的方向運行。此外,RS020x係列最高可支持 100Mbps,遠高於(yu) 通常的SPI數據速率。SPI接口可容納在同一控製器下運行的多個(ge) 獨立外設,因此電壓轉換器的位置是一項重要的設計考量因素。如果總線在另一個(ge) 不同的電壓節點上有多個(ge) 外設,建議在每個(ge) 外設之前放置一個(ge) 信號電平轉換器,而不是僅(jin) 在控製器之後使用一個(ge) 電平轉換器,如圖2 所示。

圖2 使用RS0204器件的SPI接口
3、UART
通用異步接收器/發送器 (UART) 作為(wei) 一種硬件器件,可支持雙信號或四信號異步全雙工通信接口。UART 負責將並行數據轉換為(wei) 串行數據來進行發送,或反向轉換來進行接收。在雙信號 UART 接口中,兩(liang) 個(ge) 信號是主機發送(TX) 信號和主機接收 (RX) 信號。四信號接口包括 RX 信號和 TX 信號,還有用於(yu) 握手的請求發送 (RTS) 和允許發送 (CTS) 信號。數據幀包含低電平起始位、數據位、可選奇偶校驗位和停止位。雖然 UART 會(hui) 處理數據成幀、生成和接收數據,但不會(hui) 定義(yi) 器件之間的通用信令方法。UART 輸出是器件工作電壓下的信號,例如2.5V。這些信號可在工作電壓電平相同的兩(liang) 個(ge) UART 之間的短距離內(nei) 使用。常規情況並非如此,因此通常會(hui) 將來自 UART 的信號發送到線路驅動器,將信號轉換為(wei) RS-232或RS-485等標準。這些標準允許通過定義(yi) 的信號特性進行更遠距離的通信。RS-232 使用–12V至12V的電壓範圍來改善線路上的噪聲容限。RS-485使用差分對來發送信號。RS-485和RS-232 標準都使用 UART 數據成幀,但需要一個(ge) 收發器來反轉和轉換 UART 信號。UART 是異步的,因此沒有時鍾信號。相反,在 UART 中,兩(liang) 個(ge) 通信器件都必須配置為(wei) 使用波特率,相當於(yu) 每秒位數 (bps)。UART 通常被認為(wei) 是速度在 300bps 到 115kbps 之間的低速接口。
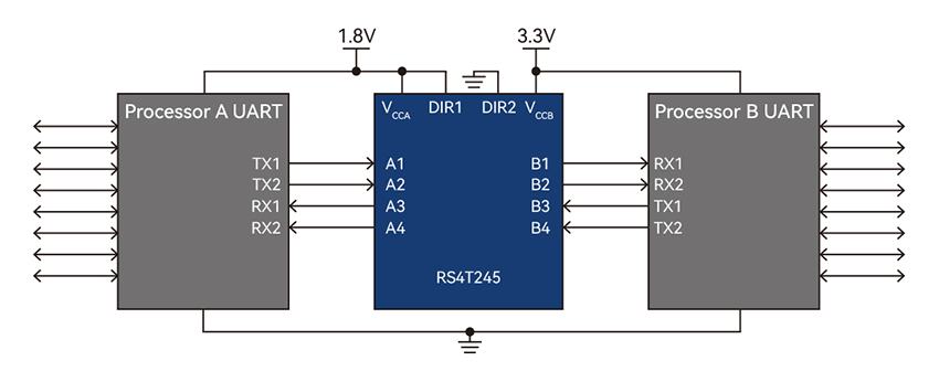
若要在不同電壓電平下運行的兩(liang) 個(ge) 器件之間使用 UART,需要一個(ge) 電壓轉換器。根據係統配置,可使用RS1T45或RS4T245電壓轉換器。

圖3使用 RS1T45進行兩(liang) 線製UART電壓轉換

圖4使用 RS4T245進行四線製UART電壓轉換
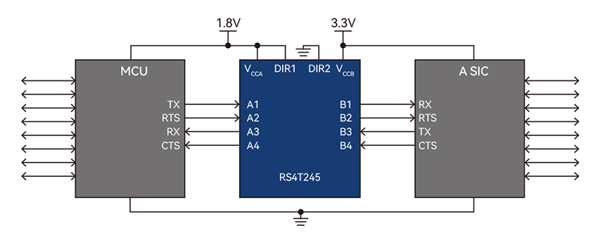
另一種常見的UART配置是運行兩(liang) 個(ge) 獨立的 UART。若要在此配置中實現轉換,可使用RS4T245。相關(guan) 設置與(yu) 四線製UART相同,兩(liang) 個(ge) 方向引腳都被拉到VCCA。在此配置中,兩(liang) 條TX線路將在同一方向上運行,與(yu) 兩(liang) 條RX線路的方向相反,如圖5所示

圖5 使用RS4T245進行兩(liang) 個(ge) 兩(liang) 線製UART接口的電壓轉換
4、JTAG聯合測試行動組
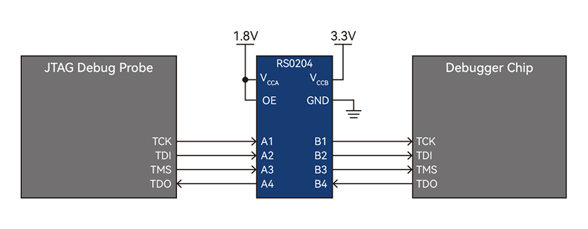
聯合測試行動組 (JTAG) 開發了同名的硬件接口 (JTAG),用於(yu) 對嵌入式設計進行調試、測試、驗證和編程。JTAG 在運行過程中通常使用五個(ge) 線路:TCK、TMS、TDI、TDO 和 TRST,如表4所示。測試時鍾 (TCK) 提供數據輸入和輸出的時序。測試模式選擇 (TMS) 允許用戶選擇將要測試的內(nei) 容。測試數據輸入 (TDI) 將要測試的數據輸入到被測器件,產(chan) 生的結果在測試數據輸出 (TDO) 上輸出。最後一個(ge) 信號是測試複位 (TEST),作為(wei) 一個(ge) 可選信號,它能夠將 JTAG 複位到最後一次已知的良好狀態。

JTAG 與(yu) SPI 類似,因此電壓轉換器的配置也類似。主要區別在於(yu) JTAG 有四條線路在一個(ge) 方向上運行,而另一條線路在相反方向上運行。要在低電壓FPGA或處理器與(yu) JTAG探頭之間啟用JTAG接口,建議使用RS0204,並采用如圖6所示的配置。或者,對於(yu) 五線製JTAG接口,可使用一個(ge) 用於(yu) TCK、TMS、TDI和TRST信號線路的RS4T245和一個(ge) 用於(yu) 在另一個(ge) 方向上運行的 TDO 線路的RS1T45。

圖6 使用RS0204進行JTAG電壓轉換
四、總結
江蘇潤石適用於(yu) 不同接口的電平轉換器

圖6 使用RS0204進行JTAG電壓轉換
五、江蘇潤石電平轉換器替代表



1970-01-01


