
中美貿易戰的影響,目前國內(nei) 各公司都在采取國產(chan) 替代化,全站儀(yi) 上18luck新利在线娱乐官网4位電平轉換器RS0104替代TI的TXB0104PWR。
RS0104YQ封裝和TXB0104PWR封裝定義(yi) 是一樣的,客戶可以不需要進行任何改版。
圖1為(wei) RS0104YQ引腳定義(yi) 圖
圖2為(wei) RS0104YQ 1#腳位是A輸入電壓
2#腳位 3#腳位 4#腳位 5#腳位分別是A通訊輸入輸出腳,6#腳位是懸空腳 ,7#腳位是接地腳,8#腳位是輸出使能腳,9#腳位是懸空腳,10#腳位 11#腳位 12#腳位 13#腳位 分別是B的輸入輸出通訊腳,14#腳位是B的輸入電壓。
TXB0104PWR 1#腳位是A輸入電壓,2#腳位 3#腳位 4#腳位 5#腳位分別是A通訊輸入輸出腳,6#腳位是懸空腳,7#腳位是接地腳,8#腳位是輸出使能腳,9#腳位是懸空腳,10#腳位 11#腳位 12#腳位 13#腳位 分別是B的輸入輸出通訊腳,14#腳位是B的輸入電壓。
結論可以看出腳位是完全一致的,無須讓客戶進行任何改版可為(wei) 客戶節省大量研發時間。
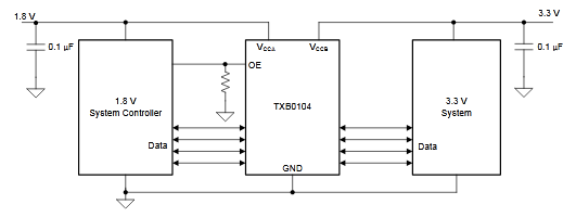
封裝一樣 所以兩(liang) 者外圍設計也是一致的:
RS0104YQ 外圍設計電路圖
TXB0104PWR 外圍設計電路圖
RS0104 在A輸入和B輸入腳位會(hui) 比TXB0104PWR 各多一個(ge) 小電容,但是在輸出使能少一個(ge) 電阻,基於(yu) 這一點,影響不大。
規格參數對比也可以發現兩(liang) 者實際參數並不大:
對比可知,輸入輸出兩(liang) 者電壓差不大,RS0104 VccA會(hui) 比TXB0104範圍更寬,關(guan) 機電流也會(hui) 更小,所以待機時間會(hui) 更長 傳(chuan) 輸速率相對比TXB0104更快些。綜上所述:RS0104會(hui) 比TXB0104性能更好,可以完全替代。


2021-09-22


