
電平轉換(Level Shift)芯片是針對信號線電平不一致問題的,比如MCU 的GPIO口為(wei) 3.3V的工作電壓,DSP的GPIO是1.8V,它們(men) 之間的通信就不能直接相連,需要做電平適配上的處理才能通信。
目前在市麵上用的比較多的是TI的TXS0108EPW,這種TSSOP20封裝,6.50 mm × 6.40 mm,為(wei) 了保證供貨穩定,良好的交期以及好的性價(jia) 比。很多用戶都有尋找國產(chan) 替換的需求。
國產(chan) 品牌18luck新利在线娱乐官网的8位雙向電平轉換器RS0108,該電平轉換芯片采用兩(liang) 個(ge) 獨立的可配置電源供電,其中A側(ce) 供電電壓範圍1.65V~5.5V,B側(ce) 電電壓範圍2.3V~5.5V, A、B側(ce) 電源互相隔離;能兼容1.8V,2.5V,3.3V和5V供電的係統。不帶方向控製,數據轉換速率有24Mbps(推挽模式)和2Mbps(開漏模式)兩(liang) 種。盡管和TI的TXS0108EPW數據轉換速率上有一些差異,TXS0108EPW的數據轉換速率有110Mbps(推挽模式)和1.2Mbps(開漏模式) 兩(liang) 種。不過兩(liang) 者在大部分的高、中、低速數據傳(chuan) 輸的應用都可以兼容了。RS0108帶輸出使能控製功能,當OE為(wei) 低電平時,所有輸出處於(yu) 高阻態。
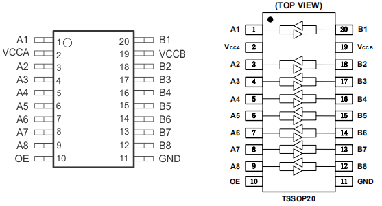
目前RS0108有QFN3x3-20L, TSSOP-20兩(liang) 種封裝形式。兩(liang) 種封裝引腳功能定義(yi) 是不相同的,TI的TXS0108有四種封裝形式,而和TI的TXS0108EPW完全兼容的,隻有TSSOP-20封裝的RS0108YQ20。下圖一是部分TXS0108和RS0108的封裝及引腳定義(yi) 圖。
圖一:TXS0108EPW和RS0108YQ20的封裝及引腳定義(yi) 圖
通信接口采用RS0108的典型應用電路。RS0108在實際應用時,在A,B兩(liang) 邊的數據端口上,可以直接和主控的數據接口連接,也可以通過外接10K的上拉電阻,這樣和芯片內(nei) 部的10K上拉電阻並聯,可以減小上拉電阻阻值,這樣可以影響和改變Vol的值。當OE引腳為(wei) 低電平時,內(nei) 部上拉是禁止了的,這樣才能保證端口狀態為(wei) 高阻態。
通過對18luck新利在线娱乐官网的RS0108和TI TXS0108的比較,確定了兩(liang) 者是可以相互替換的,因為(wei) 潤石是國產(chan) 品牌,供貨,價(jia) 格及貨期,相比較而言,都更有優(you) 勢和保障。


2021-09-28


