
RS010x和RS020x係列器件是18luck客户端推出的自動雙向電平轉換芯片。 由於(yu) RS010x內(nei) 部的上拉電阻和RS020x內(nei) 部的串聯電阻,使這兩(liang) 款器件對外部上拉或下拉電阻相對敏感。 在本應用指南中,我們(men) 研究了外部上拉和下拉電阻對RS010x和RS020x係列器件的 VOL 和 VOH 電平的影響。 由於(yu) 外部上拉或下拉電阻會(hui) 影響設計中輸出的電壓水平,因此大於(yu) 50 kΩ的高值上拉或下拉電阻有利於(yu) 防止性能下降。
1、有關(guan) 概念
VOH:輸出高電壓電平範圍—與(yu) 輸出電流有關(guan) (通常給出Min值to VCCA/B)
VOL:輸出低電壓電平範圍(通常給出0V to MAX值)
RS010x:自動雙向電平轉換器,支持開漏(2Mbps)和推挽(24Mbps)輸出
RS020x:自動雙向電平轉換器,僅(jin) 支持推挽(100Mbps)輸出
開漏輸出:此處的開漏輸出指的是電平轉換IC兩(liang) 端芯片(主控和外設)輸出口的輸出模式,即主控和外設的輸出口僅(jin) 有NMOS管需要外加上拉電阻。
推挽輸出:此處的推挽輸出指的是電平轉換IC兩(liang) 端芯片(主控和外設)輸出口的輸出模式,即主控和外設的輸出口是CMOS管。
注意:電平轉換芯片支持兩(liang) 種輸出模式,差別在於(yu) 支持的速率不同,芯片內(nei) 部結構完全一致。開漏和推挽輸出的對象是電平轉換芯片兩(liang) 邊的芯片而不是其本身。
2、RS010x係列外接電阻分析
2.1、RS010x上拉電阻分析
RS010x 係列轉換器集成了內(nei) 部上拉電阻,用於(yu) 在驅動邏輯高時保持輸出。 RS0101、RS0102、RS0104和RS0108 轉換器的內(nei) 部上拉電阻固定為(wei) 10 kΩ。有關(guan) 輸出配置的簡化圖,請參見圖 1。
圖1 RS010x係列簡化示意圖
One-shot加速電路旨在瞬間增加過渡邊緣的驅動強度。 當處於(yu) 直流穩定狀態時,輸出由內(nei) 部上拉電阻保持高電平。 因此,添加外部上拉或下拉電阻都會(hui) 影響輸出的變化過程。 為(wei) 了演示由此產(chan) 生的變化,在1kΩ 至 100 kΩ 的三個(ge) 不同上拉和下拉電阻值範圍內(nei) 測量了 RS010x的輸出。有關(guan) 測試設置,請參見圖 2。
圖2 RS010x測試設置
如圖2所示,VCCA供電1.8V,VCCB供電3.3V。A1口輸入0-1.8V,頻率1kHz,占空比50%的方波,B1分別上拉1kΩ,4.7kΩ和100kΩ的上拉電阻到VCCB。隨後用示波器探頭去抓取波形。(黃色為(wei) 輸入A1波形,紅色為(wei) 輸出B1波形)
圖3 RS0102無上拉電阻波形
圖4 RS0102上拉1kΩ電阻波形
圖5 RS0102上拉100kΩ電阻波形
圖3-5 中的結果說明了上拉電阻對RS010x類型轉換器的VOL電平的變化。 由於(yu) 外部上拉電阻與(yu) 內(nei) 部 10 kΩ 並聯組合,同時驅動低電平,因此沒有上拉電阻的基線VOL為(wei) 20 mV,而使用 1kΩ 上拉電阻的VOL為(wei) 220 mV。這歸因於(yu) 通過傳(chuan) 輸晶體(ti) 管的額外電流,導致傳(chuan) 輸晶體(ti) 管兩(liang) 端的電壓降更大。等效上拉電阻= (10 × 1) / (10 + 1) =0.91 kΩ。該等效電阻為(wei) 10kΩ與(yu) 1kΩ並聯,如果換成100kΩ,VOL又會(hui) 回到接近20mV的水平,此時並聯後結果接近10kΩ。
外部上拉電阻會(hui) 對I/O端注入額外的電流(即Sink電流),導致VOL電壓的抬升,增加的幅度取決(jue) 於(yu) 外部驅動器件的電流吸收能力和內(nei) 部傳(chuan) 輸晶體(ti) 管的電阻。對比測試結果請參考表1。
2.2、RS010x下拉電阻分析
如圖2所示,VCCA供電1.8V,VCCB供電3.3V。A1口輸入0-1.8V,頻率1kHz,占空比50%的方波,B1分別下拉1kΩ,10kΩ和100kΩ的下拉電阻到地。隨後用示波器探頭去抓取波形。(黃色為(wei) 輸入A1波形,紅色為(wei) 輸出B1波形)
圖6 RS0102下拉10kΩ電阻波形
圖7 RS0102下拉100kΩ電阻波形
圖 6-7 中的結果說明了下拉電阻對RS010x類型轉換器的VOH電平的變化。 沒有上拉電阻的基線 VOH 為(wei) 3.27V,而使用 10kΩ 下拉電阻的 VOH 為(wei) 1.46V。如果接到100kΩ,VOH則為(wei) 3.07V。內(nei) 部上拉電阻和外部下拉電阻構成了一個(ge) 分壓網絡,導致VOH下降。 下拉電阻對VOH的負麵影響說明了為(wei) 什麽(me) RS010x係列轉換器隻能用於(yu) 驅動高阻抗負載。結果匯總見表 2。
2.3總結
RS010x轉換器可以與(yu) 外部上拉電阻一起使用,而不會(hui) 對輸出電壓電平產(chan) 生重大影響,前提是驅動設備能夠吸收額外灌入的電流,並且內(nei) 部傳(chuan) 輸晶體(ti) 管上的壓降不顯著。 而外加下拉電阻會(hui) 導致VOH電平降低,因此要盡量避免使用下拉電阻。 如果外部需要下拉電阻以保持初始低電平狀態,電阻的值需要在100kΩ以上。下拉電阻對 VOH 電平的負麵影響也說明了為(wei) 什麽(me) RS010x係列轉換器隻能用於(yu) 驅動高阻抗負載
3、RS020x係列外接電阻分析
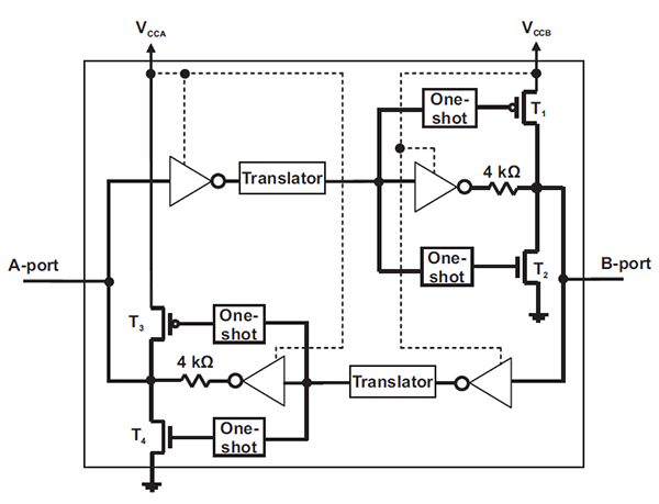
RS020x係列轉換器旨在驅動高阻抗負載,在DC穩態時輸出由4kΩ緩衝(chong) 器驅動。在本節中,將研究外部電阻器對轉換器的VOH和 VOL 電平的影響。 圖8顯示了RS020x 的簡化示意圖。
圖8 RS020x係列簡化示意圖
3.1、RS020x上拉電阻分析
如果外接了上拉或下拉電阻,則會(hui) 與(yu) 4kΩ 緩衝(chong) 電阻形成電阻分壓網絡,從(cong) 而導致 VOH 和 VOL 的電平發生變化。 RS0202的輸出是在三種不同的上拉和下拉電阻配置範圍內(nei) 測量的,從(cong) 4.7 kΩ到47kΩ到100 kΩ。 測試原理圖請參考
圖9 RS020x測試設置
如圖9所示,VCCA供電1.8V,VCCB供電3.3V。A1口輸入0-1.8V,頻率1kHz,占空比50%的方波,B1分別上拉4.7kΩ,47kΩ和100kΩ的上拉電阻到VCCB。隨後用示波器探頭去抓取波形。(黃色為(wei) 輸入A1波形,紅色為(wei) 輸出B1波形)
圖10 RS0202無上拉電阻波形
圖11 RS0202上拉4.7kΩ電阻波形
圖12 RS0202上拉47kΩ電阻波形
圖13 RS0202上拉100kΩ電阻波形
圖10-13中的結果說明了上拉電阻對RS020x類型轉換器的VOL電平的影響。 沒有上拉電阻的基線 VOL 為(wei) -20 mV,而使用 4.7kΩ 上拉電阻的 VOL 為(wei) 1.71 V。 當上拉為(wei) 47kΩ時,VOL為(wei) 300mV,100kΩ的時候為(wei) 140mV。結果匯總見表 3。
3.2、RS020x下拉電阻分析
如圖9所示,VCCA供電1.8V,VCCB供電3.3V。A1口輸入0-1.8V,頻率1kHz,占空比50%的方波,B1分別下拉4.7kΩ,47kΩ和100kΩ的下拉電阻到GND。隨後用示波器探頭去抓取波形。(黃色為(wei) 輸入A1波形,紅色為(wei) 輸出B1波形)
圖14 RS0202下拉4.7kΩ電阻波形
圖15 RS0202下拉47kΩ電阻波形
圖16 RS0202下拉100kΩ電阻波形
圖14-16中的結果說明了下拉電阻對RS020x類型轉換器的VOH電平的影響。 沒有上拉電阻的基線VOH為(wei) 3.27V,而使用 4.7kΩ 下拉電阻的 VOH 為(wei) 1.51V。使用 47kΩ 下拉電阻的VOH為(wei) 2.95V, 使用 100kΩ 下拉電阻的VOH為(wei) 3.11V,下拉電阻對 VOH 電平的負麵影響說明了為(wei) 什麽(me) RS020x係列轉換器隻能用於(yu) 驅動高阻抗負載。 結果匯總見表 4。
RS020x轉換器不得使用小於(yu) 50 kΩ 的上拉和下拉電阻器,因為(wei) 內(nei) 部的4 kΩ輸出緩衝(chong) 電阻和外部電阻會(hui) 形成一個(ge) 電阻分壓網絡。VOL和VOH的值可以由以下等式估算:

其中VCCO為(wei) 對應輸出口的供電電壓值VCCA/VCCB。
3.3總結
根據以上結果,隻有弱上拉或下拉電阻 (> 50 kΩ) 才能和RS020x器件一起使用。 如果需要更強的外部上拉電阻,請參考RS010x係列。
3、結語
RS010x和RS020x電平轉換芯片由於(yu) 其內(nei) 部有用於(yu) 維持直流電平的內(nei) 置電阻,因此他們(men) 對外圍電阻比較敏感,使用時要尤其注意。


2021-12-20


