
NEWS
新聞中心
自主創新丨品質至上丨團結協作丨成就客戶
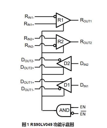
RS90LV049是一款雙通道LVDS差分信號發送、接收一體(ti) 的芯片,可以支持400Mbps的LVDS信號。

主要參數特性如下:
符合TIA/EIA-644-A標準;
>400Mbps(200MHz)的數據速率;
接收端最大400ps差分偏移;
發送端最大500ps差分偏移;
接收端最大3.5ns傳(chuan) 播延時;
發送端最大2ns 傳(chuan) 播延時;
支持3.3V工作電壓;
接收低壓差分信號輸入(典型±350mV);
輸入開路、短路等失效保護功能;
工業(ye) 級工作溫度:-40°C ~ 85°C。

LVDS收發器芯片與(yu) 邏輯類芯片相似,幾乎都形成了標準化的參數,尤其是交流參數部分,參數的細微差異不容易評估,但對應用的潛在影響卻比較大。18luck新利在线娱乐官网作為(wei) 後來者,力求做到原位兼容,以降低應用上的風險。

注:主要參數沒有差異,可以實現原位替換。
隨著RS90LV049的推出,18luck新利在线娱乐官网LVDS收發器產(chan) 品係列更加完善,形成了單路收發、雙路收發一體(ti) 、四路收發的產(chan) 品家族:

RS90LV049提供TSSOP16標準封裝,與(yu) 業(ye) 內(nei) 主流應用產(chan) 品完全兼容,歡迎各界工程師朋友品鑒評測。
下一篇:
MSL-- 濕敏等級
熱門推薦
18luck新利在线娱乐官网芯知識 | 詳解AC/DC、DC/DC轉換器
2025-03-13
芯品 | 12位四通道低功耗數模轉換芯片
2025-03-07
18luck新利在线娱乐官网參加2025年度市半導體行業協會大會並做《模擬芯片展望》的主題分享
2025-03-05
芯品 | 增強壓擺率運算放大器RS844x係列
2025-03-05
芯品 | 雙通道8位125MSPS 模數轉換芯片 RS1506S
2025-02-20
MSL-- 濕敏等級
2025-02-19
芯品| 高速LVDS收發器RS90LV049
2025-02-12
芯品| 12位低功耗數模轉換芯片RS1320
2025-01-20
芯品|RS1522 雙通道14位20/40MSPS 模數轉換芯片
2025-01-07
江蘇潤石最新招聘
2024-12-17


2025-02-12


