
偏置電流在運放輸入端外部電阻後產(chan) 生電壓會(hui) 對使用者造成麻煩,產(chan) 生係統誤差。比如對於(yu) 一個(ge) 同相單位增益緩衝(chong) 電流,如果信號源電阻為(wei) 1MΩ,那麽(me) 當 時,就會(hui) 產(chan) 生 10mV 的誤差,對於(yu) 任何係統這個(ge) 誤差都不能被忽略。
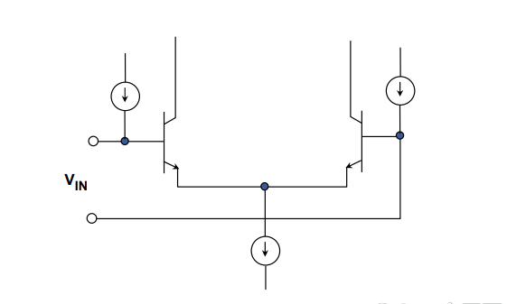
一、偏置電流定義(yi) 理想運算放大器的輸入端口沒有電流流入流出。但實際運放器件的輸入端口存在著兩(liang) 個(ge) 偏置電流,即IB+和IB-。 ▲ 圖1.1 運算放大器的偏置電流 運放的偏置電流有以下特點: 運放偏置電流是一個(ge) 變化的參數; 隨著器件不同,可能從(cong) 60fA(每3 流過 1 個(ge) 電子)到數個(ge) 微安級別; 一些運放結構具有匹配的 ,一些運放 不匹配; 有些運放中的 隨著溫度變化很小,但是 FET運放隨著溫度每升高 10℃ 增加一倍; 有些運放的 可能會(hui) 雙向流動; 在 AD549[2] 靜電計運放的 大約為(wei) 60fA,一些高速運放的偏置電流可以達到數十個(ge) 微安。帶有長尾對輸入結構的 BJT 或者 FET 運放的偏置電流是單向流動。一些複雜結構(偏置補償(chang) 或者電流反饋運放)內(nei) 部有不同電流源,對應的偏置電流是雙向流動。 偏置電流在運放輸入端外部電阻後產(chan) 生電壓會(hui) 對使用者造成麻煩,產(chan) 生係統誤差。比如對於(yu) 一個(ge) 同相單位增益緩衝(chong) 電流,如果信號源電阻為(wei) 1MΩ,那麽(me) 當 時,就會(hui) 產(chan) 生 10mV 的誤差,對於(yu) 任何係統這個(ge) (找元器件現貨上唯樣商城)誤差都不能被忽略。或者當設計者忘記偏置電流這麽(me) 一回事,使用電容耦合信號,則電路就跟不能工作。也許在電容開始充電時電路工作,後麵引起錯誤輸出。重要的是在任何運放電路設計中不要忽略 的作用,對放大電路內(nei) 部也需要時刻警惕。 二、失調電流 輸入失調電流是指兩(liang) 個(ge) 偏置電流
之間的差別,
。如果兩(liang) 個(ge) 偏置電流一開始就匹配時,失調電流會(hui) 產(chan) 生影響,比如對於(yu) 大多數電壓負反饋運放電路。如果對於(yu) 電流反饋電路,由於(yu) 偏置電流就根本不匹配,失調電流也不會(hui) 產(chan) 生太大的影響。
在軌到軌輸入端電路設計中,由於(yu) 存在兩(liang) 個(ge) 並行的輸入級,當共模電壓經過轉換區域時,偏置電流會(hui) 改變方向,對於(yu) 這種器件,偏置和失調電流相對難以定義(yi) ,通常簡單給出正負最大範圍。失調電流的大小通常是偏置電流的十分之一左右。 三、內(nei) 部偏置電流抵消電路 下圖顯示了內(nei) 部提供偏置電流源設計,實際輸入偏置電流是內(nei) 部偏置電流減去三極管偏置電流的差,所以會(hui) 非常小。 ▲ 圖1.3.1 內(nei) 部帶有偏置電流補償(chang) 電路雙極性輸入級 一些當代精密運放使用了內(nei) 部偏置電流補償(chang) 電路,比如大家熟悉的 OP07[3] 、 OP27[4] 運放係列。下麵給出了這種電路的優(you) 缺點。 這種電路的優(you) 點: 失調電壓小:小於(yu) 10 ; 失調電壓漂移小:小於(yu) /℃; 偏置電流溫度穩定性好; 偏置電流小:小於(yu) ; 電壓噪聲小:小於(yu) ; 電路的缺點: 偏置電流匹配性不好,甚至電流流向會(hui) 發生變化; 電流噪聲大; 對於(yu) 高頻電路用途不大; 由於(yu) 附加了輸入阻抗,會(hui) 造成匹配信號源阻抗困難; 由於(yu) 輸入端噪聲源包括有輸入三極管基極噪聲電流和補償(chang) 噪聲電流,它們(men) 是不相關(guan) ,所以噪聲的能量會(hui) 相加。通常情況下偏置電流補償(chang) 特性在器件的數據手冊(ce) 中並沒有給出,在內(nei) 部電路原理圖中也不顯示。可以通過器件的偏置電流指標來確認是否內(nei) 部具有偏置電流補充電路。如果偏置電流指標為(wei)
“±” 數值,通常器件具有偏置電流補償(chang) 電路。 四、消除偏置電流影響 當運放的偏置電流很好的匹配(對於(yu) 一些雙極性輸入級,不帶內(nei) 部偏置電流補償(chang) 電路)的運放,可以通過外部輸入匹配電阻
R3 (R3=R1//R2) 來抵消偏置電流的影響,減少了附加的失調電壓誤差。當 R3 大於(yu)
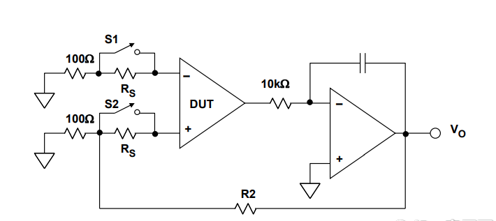
1kΩ時,通常需要並聯一個(ge) 電容來降低噪聲。對於(yu) 偏置電流不匹配的運放,這種外部匹配電阻的使用非但不起作用,有可能會(hui) 使誤差變得更糟。 ▲ 圖1.4.1 消除偏置電流影響的應用電路 五、測量失調和偏置電流 下圖給出了測量偏置電流(或者輸入失調電壓)的電路。在被測運放的輸入端串聯一個(ge) 電阻
Rs 用於(yu) 測量偏置電流 IB。偏置電流在串聯電阻上產(chan) 生一個(ge) 附加的失調電壓 。如果輸出電壓 在開始的時候已經測量記錄了,那麽(me) 的變化就反應了
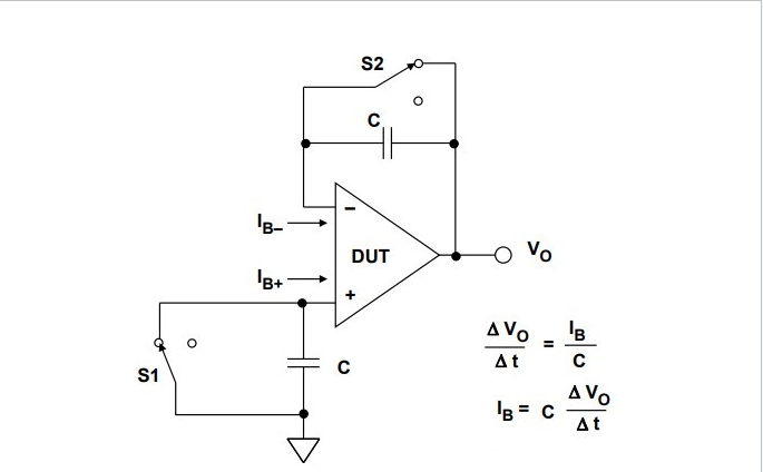
上的由於(yu) 所帶來的電壓變化。當 被測量出之後,它們(men) 的平均值 就是運放的偏置電流。 對於(yu) 一些雙極性運放, 通常選擇 ,對於(yu) FET 輸入器件, 選擇 1000MΩ。 ▲ 圖1.5.1 測量偏置電流的電路 選擇 ,電路的輸出 S1 閉合,測量 ; S2 閉合,測量 ; S1,S2 都閉合,測量 ; S1,S2 都打開,測量 ; 對於(yu) 輸入偏置電流非常小的運放,可以采用積分方法進行測量。偏置電流對電容充電,測量輸出電壓變化率可以獲得偏置電流的大小。充電電容的漏電流通常使用特氟龍(Teflon)或者
聚丙烯(Polypropylene)電容。對於(yu) 小於(yu) 10fA 的器件,這種方法也會(hui) 變得困難。 ▲ 圖1.5.2 計分方法測量偏置電流







2023-05-06


